티스토리 뷰
목차
용적식 펌프은 정량 이송, 점도 높은 유체 이송 등에서 널리 사용되지만, 고유의 구조적 특성 때문에 ‘맥동 현상(pulsation)’이라는 단점을 동반합니다.
맥동은 유량과 압력이 주기적으로 요동치는 현상으로, 공정 안정성을 해치거나 계측기 오류를 유발할 수 있습니다.
본 글에서는 용적식 펌프에서 발생하는 맥동의 원인과 이를 완화하기 위한 대표적 장치인 ‘맥동 완충기’(Pulsation Dampener), 그리고 배관 설계 단계에서 고려해야 할 대응 전략까지 실무 중심으로 정리합니다.


맥동이란 무엇인가? 용적식 펌프의 태생적 특징
용적식 펌프은 내부 챔버의 왕복 운동을 통해 유체를 이송하는 방식으로, 한 번의 스트로크마다 유체가 밀려 나가는 구조입니다. 이로 인해 유량이 연속적으로 흐르기보다는, 순간적으로 증가·감소하는 현상이 발생하게 되며, 이를 ‘맥동(pulsation)’이라 부릅니다.
대표적인 용적식 펌프 종류로는 다음과 같은 것들이 있습니다:
- 다이어프램 펌프 (Diaphragm Pump)
- 피스톤 펌프 (Piston Pump)
- 플런저 펌프 (Plunger Pump)
- 기어 펌프, 로터리 베인 펌프 등 일부 회전형 용적식
맥동은 단순한 진동 이상의 문제를 야기할 수 있습니다:
- 압력 센서·유량계 오작동
- 배관 연결부 진동 및 피로 파손
- 제품 품질 불균일 (도징, 충진 공정)
따라서 이를 완화하기 위한 설계적 대책이 반드시 병행되어야 하며, 대표적인 방법이 ‘맥동 완충기’와 배관 최적화 설계입니다.


맥동 완충기의 원리와 적용 방법
1. 맥동 완충기란?
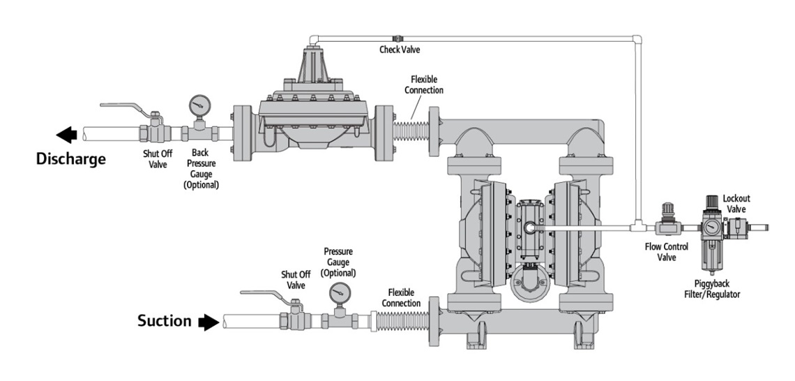
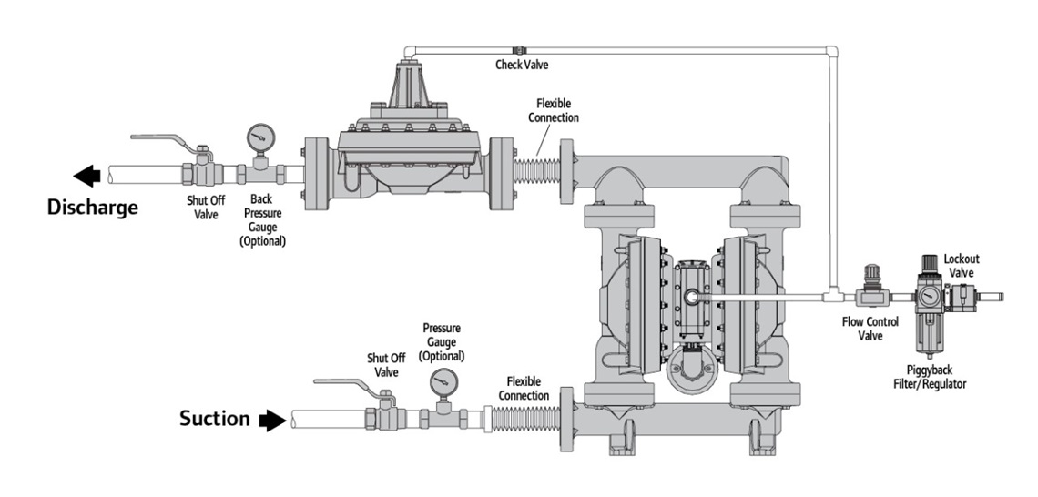
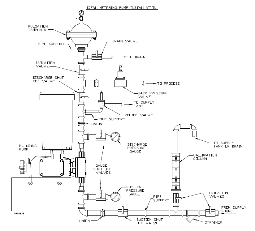
맥동 완충기(Pulsation Dampener)는 펌프 토출 라인에 설치되어, 펌프에서 발생하는 압력 변동을 물리적으로 흡수하고 평균화해주는 장치입니다. 내부에 고압 가스(보통 질소)를 충전한 다이어프램이나 블래더(Bladder)가 설치되어 유체 압력을 쿠션처럼 흡수합니다.
2. 작동 원리
- 펌프 작동 시 압력이 급격히 상승하면, 완충기 내부 가스가 압축되며 일부 유체를 흡수 - 압력이 낮아지면, 가스가 팽창하면서 유체를 되돌려보냄 → 결과적으로 유량·압력 변동이 평균화되어 연속 흐름처럼 작용
3. 설치 시 고려사항
- 펌프 토출구와 가까운 위치에 수평으로 설치
- 충전 압력 설정 (시스템 압력의 약 60~80%)
- 다이어프램 재질은 유체 특성과 호환되게 선택
- 주기적인 질소 압력 점검 필요 (감압 발생 시 맥동 억제력 저하)
배관 설계에서의 대응 전략
맥동 완화는 단순히 장치 하나로 끝나는 것이 아닙니다. 배관 설계 단계에서부터 아래와 같은 전략을 병행해야 진정한 효과를 얻을 수 있습니다.
1. 배관 길이 최소화
불필요하게 긴 토출 배관은 압력 손실뿐 아니라 맥동 전달을 증폭시키는 경향이 있습니다. 가능하면 토출구부터 공정 지점까지의 배관을 짧고 직선화하는 것이 이상적입니다.
2. 유연한 연결부 적용
진동 흡수를 위해 플렉시블 호스나 진동 흡수 조인트를 일부 구간에 적용합니다.
3. 분지 라인 최소화
여러 지점으로 분기되는 배관은 맥동을 예측 불가능하게 분산시킬 수 있습니다. 가능한 한 단일 라인 중심으로 설계하는 것이 좋습니다.
4. 체크밸브 위치 조정
체크밸브의 위치와 반응 시간은 맥동의 반사 효과에 영향을 줄 수 있습니다. 완충기보다 먼 위치에 설치하거나, 빠른 응답형 밸브를 사용해야 합니다.
현장 적용을 위한 실무 팁
용적식 펌프를 사용하는 현장은 여전히 많으며, 그만큼 맥동 문제가 반복되는 경우도 적지 않습니다. 하지만 다음과 같은 기본 사항을 잘 준수하면 대부분의 문제를 예방할 수 있습니다.
- 완충기 선택 시 유량, 압력, 맥동 주기 등 시스템 스펙에 맞는 모델 선정
- 완충기 내부 가스압은 계절·유체 온도 변화에 따라 점검
- 배관 시공 단계에서 ‘맥동 감쇠 설계’를 포함
- 계측기와 센서류는 맥동 후방 위치 또는 댐퍼와 병렬 설치
특히 정량 주입, 슬러리 이송, 고점도 수지 이송 등의 공정에서는 펌프 성능보다도 맥동 억제 설계가 품질을 좌우하는 핵심입니다. 작은 진동이 큰 공정 변동으로 이어질 수 있는 만큼, 설계 초기부터 적극적으로 고려해야 합니다.